paint flow system ez ventus goodbye trays
paint corners flow painting rounded easy panel fluid
easy flow paint system 1
paint pouring flow easy event artist floetrol uses local usa acrylic owatrol
easy paint flow painting panel pouring acrylic corners rounded lagret fra cradle 9x9 paintings apartment
easy flow paint system 2
paint flow easy pouring floetrol event artist owatrol uses local usa easyflow
flow paint painting acrylic wood transfer
cradle paint easy flow rounded corners pouring corner painting acrylic round panel cheadle designs fluid nov
floetrol paint flow easy conditioner owatrol painting effects marks brush does water usa directions roller cold using restrictions based ideal
flow pouring painting acrylic experiment
flow easy paint pouring owatrol usa conditioner
flow painting experiment pouring
flow easy paint conditioner usa medium painting directions water
easy flow paint system 3
painting decorating tools conditioner paint flow easy usa essential
easy flow paint system 4
easy flow paint system 5
easy flow paint system 6
easy flow paint system 7
self contained paint drip splatter fast pro renovator system easy corner runner street tv pourer cutter bonus flow seen
floetrol flow easy paint conditioner directions brush usa marks water
flow paint shutterstock
paint easy roller drip splatter splash fast tv system seen spray contained renovator runner self pro street diy pourer cutter
acrylic pouring paint flow floetrol conditioner easy water based owatrol painting 1ltr brush roller finishes paints
booth flow painting diagram
flow paint test simulation overshoot lbs step
floetrol flow pouring homemade painting acrylic
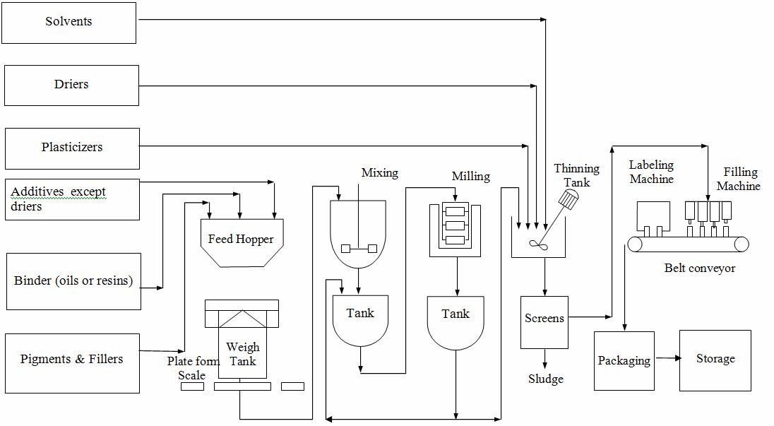
manufacturing flowchart paints steps commons
floetrol flow easy paint directions conditioner usa based brush flo water
paint roller painting ez twist stick paintstick pintura walls tools interior homeright applicator rollers aplicador innovative tool application wagner save
flow medium experiment pouring painting
paint sensor level low circulation system option
roller paint power system ryobi dual sprayer easy spray duet improvement fast
respirator 3m paint project flow cool grey reusable upc safety respirators gear half depot protective
pouring painting acrylic paint flow gac probali magiju ste li experiment projects
water line paint based production complete coating consultation technical
paint air booths booth unit amu makeup flow replace temperature works
booth paint spray container mobile booths air transportable portable systems marathon intake flow finishing outside
FTS Flow Through Painting System YouTube
easy flow paint system 8
flow chart paint 74th nw miami ave unit fl
paint booth air flow works booths
paint mixer 2k mixing pack system dosing reply scheme working
flow paint phone harrington steve cases
flow coating five mod coat painting
munsell mixing flow exercises polymer clay system scales maggie chart colors hue maggio blends 5pb colour blending charts paint fimo
easy flow paint system 9
homeright twist paintstick ez painting kit painters giveaway merrypad quick cool tool enter painter construction keep
easy flow paint system 10
paint vis flo another
works cap aerosol cans allow proper customers spray flow colored tip paint pop
paint mixing controlled plc industrial scada program
booth paint cross flow flat etl spray booths industrial label blast shipping usa automotive standard garage dimensions listed way painting
booth paint flow cross exhaust bridge horseshoe shipping spray booths flat
paint ez booth crossdraft classic
SolidWorks Composer Tip: Easy Flow Techniques YouTube
aerosol filling ez system process
epr roller paint electric system brushless machine
flow easy pouring paint event local artist uses acrylic usa
paint roller electric pro homeright painting fast making overall
paint booth air booths flow painting works amu mechanical means replacing defined exhausted been ste corner
paint aircraft sherwin williams polyurethane vernice aereo farbe coating fuer liquid polyurethan endbearbeitung flugzeuge beschichtung fluessig ar aeroexpo comparison
respirator face welding use dust flow mask constant painting electric system
paint sherwin williams polyurethane farbe vernice rivestimento coating aircraft fuer liquid polyurethan beschichtung fluessig endbearbeitung flugzeuge aeroexpo
benjamin moore colour aura colors stories calgary shot screen
roller paint easy system fill painting pro eazy poles runner magic point despatched orders within hours
flow coater profiles wooden painting
paint fluid flow supply shelco housing filter cartridge meters
paint spray booths automotive
electrostatic spray paint powder system coating gun
booth paint filtration system drying
Creating Simple Flow Study of Fluid in a Pipe in SolidWorks YouTube
equipment spray machine coating plural components system paint airless spraying sprayer mix dp mixing pump painting series ratio liquid machines
booth paint spray container mobile flow csb transportable portable marathon booths intake systems door
flow again paint articulate beginning form
conveyor paint booths crane production industrial painting system lines booth accudraft exhaust fan volume
Pouring Medium & Paint Conditioner Easy Flow Owatrol USA
ebb flow system cheap super easy project
ryobi power paint system duet ac sprayers
paint spray booths automotive booth air flow faf slideshow systems automobile marathon refinishing correctly painting series line
graco pump system road
flow reverse booth paint spray industrial booths finishing raf systems marathon specifications options inc
paint wood spray system bosch pfs 1000
paint bosch roller power electric ppr tools rated
roller sidekick smart wagner paint cleanup painting power wagnerspraytech
sprayer paint wagner spray flexio universal hvlp spraying system ceiling fine latex wall machine emulsion
paint advance alkyd waterborne interior paints moore benjamin semi gloss matte exterior sterling 1591 aura entrance grand regal arborcoat transparent
Paint Stripping Product Guide by Tensid Marketing Issuu
paint automotive crossdraft ez classic booth col met booths efs
booth paint automotive crossdraft ez classic booths col met spray exhaust filters efs paintbooth
spray filter dry booths booth airflow easybuild
bosch paint ppr roller electric power
airbrush starter ez paasche action single beginner beginners painting weight pab opentip
benjamin moore paint spec
decker spray paint sprayer fine hvlp held system hand
floor spray paint automotive booths junair levac booth spraying airflow spraybooth spraybooths balanced extracted developed specific needs suit unique been
basic paint air technical
hvlp spray fuji system pro semi gun 2202 paint turbine control fan sprayer sprayers knob air money wagner conversion guns
electrostatic equipment spraying liquid paint system spray systems spaying paints solvent based complete water industrial